2001년 전기기사 실기 1회 11번 해설 <010111>
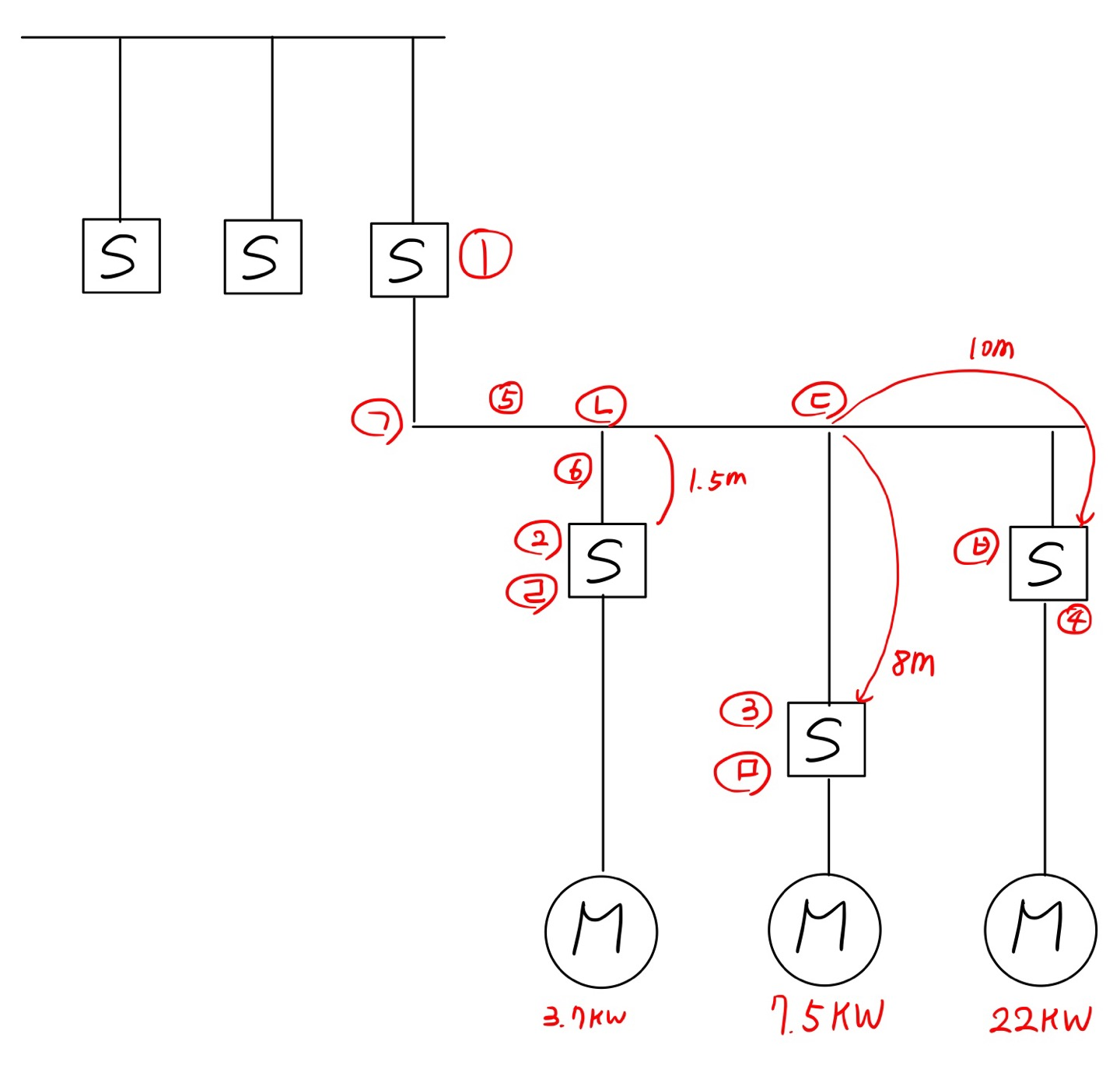
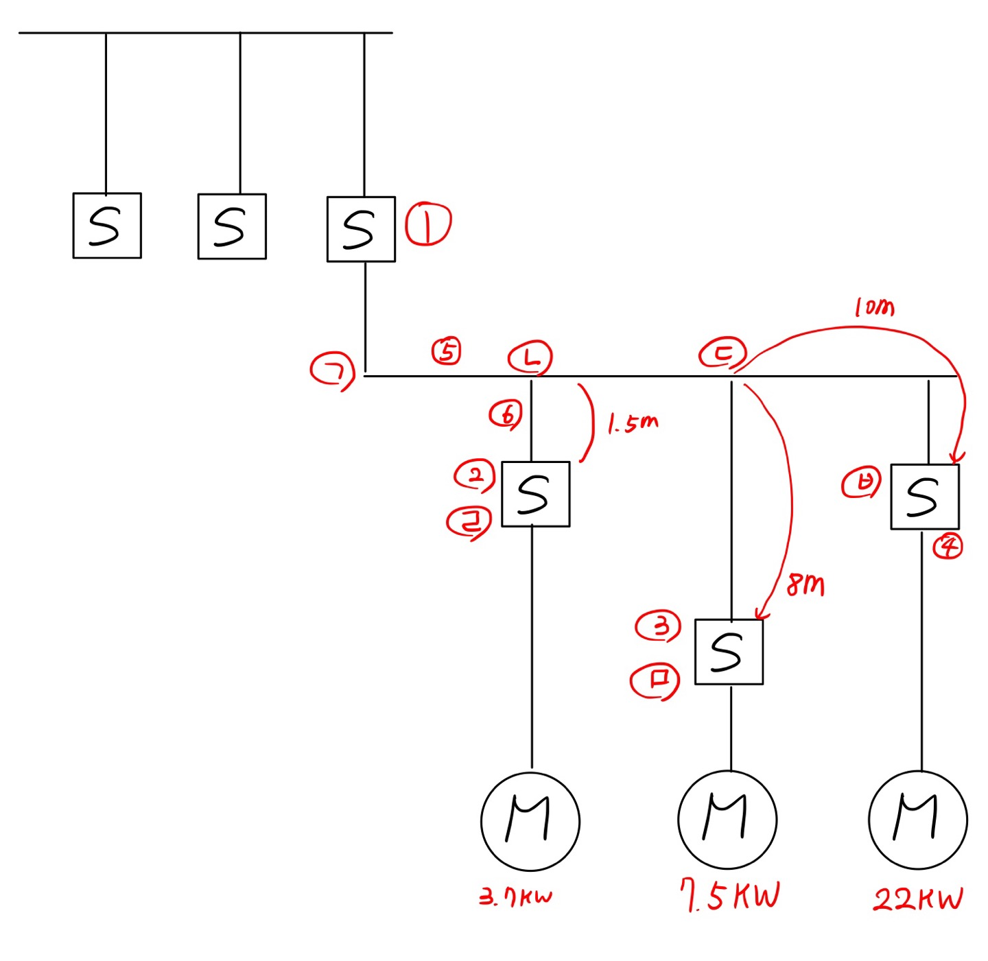
전기기사 2022. 5. 31. 22:371. 3.7kW 와 7.5kW의 직입기동 농형 전동기 및 22kW의 기동기 사용 권선형 전동기 등 3대를 그림과 같이 접속하였다. 이때 다음 각 질문에 답하시오. 단, 공사방법 B1 으로 XLPE절연전선을 사용하였으며, 정격전압은 220V이고 간선 및 분기회로에 사용되는 전선도체의 재질 및 종류는 같다고 한다.
(1)간선에 사용되는 스위치 ①의 최소 용량은 몇 A인가?
(2) 간선에 사용되는 퓨즈의 최소 용량은 몇 A인가?
(3) 간선의 최소 굵기는 몇 ㎟인가?
(4) 22kw 전동기 분기회로에 사용되는 ④의 개폐기 및 퓨즈의 용량은 몇 A인가?
(5) ㄷ~ㅁ 사이의 분기회로에 사용되는 전선의 최소 굵기는 몇 ㎟인가?
(6) ㄷ~ㅂ 사이의 분기회로에 사용되는 전선의 최소 굵기는 몇 ㎟인가?

관련 표 및 정보는 기출문제집등을 통해 확인
(1)간선에 사용되는 스위치 ①의 최소 용량은 몇 A인가?
스위치(개폐기) 1번은 모터 3개를 모두 개폐할수 있어야 한다.
즉 용량을 착기 위해서는 전동기수의 총량 = 3.7+7.5+22 = 33.2kW에 해당하므로 표에서 37.5kW줄에서 기동기 사용 최대 용량의 것은 22kW에 해당하는 세로줄을 찾아 교차하는 부분을 읽어보면, 과전류차단기 150A, 개폐기용량 200A를 찾을 수 있다.
답 : 200A
(2) 간선에 사용되는 퓨즈의 최소 용량은 몇 A인가?
퓨즈(과전류차단기) 용량은 (1)에서 찾은 150A이다.
(3) 간선의 최소 굵기는 몇 ㎟인가?
표에서 공사방법 B1, XLPE,EPR칸에서 37.5kW가로줄을 찾아보면 50㎟
(4) 22kw 전동기 분기회로에 사용되는 ④의 개폐기 및 퓨즈의 용량은 몇 A인가?
표2에서 기동기사용의 분기 부분과 정격출력 22kW의 교차점을 찾아보면 개폐기용량은 200A, 과전류차단기는 150A임을 찾을 수 있다.
(5) ㄷ~ㅁ 사이의 분기회로에 사용되는 전선의 최소 굵기는 몇 ㎟인가?
내선규정 제 3315-4
간선과 분기선에 사용하는 전선의 종류 및 재질이 동일한 경우 분기선의 단면적이 간선 단면적의 1/5 이상이면 분기점으로부터 8m이내 과전류 차단기를 시설해야한다.
ㄷ~ㅁ부분이 8m이내이므로, (3)에서 구한 50㎟ 의 1/5인 10㎟이 된다.
(6) ㄷ~ㅂ 사이의 분기회로에 사용되는 전선의 최소 굵는 몇 ㎟인가?
내선규정 제 3315-4
간선과 분기선에 사용하는 전선의 종류 및 재질이 동일한 경우 분기선의 단면적이 간선 단면적의 1/2 이상이면 분기점으로부터 임의의 길이에 과전류 차단기를 시설해야 한다.
ㄷ~ㅂ은 10m이내이므로 1/2를 적용하여 25㎟이 된다.
문제를 정확히 읽고 조건에 맞는 것을 표에서 찾기만 하면 되는 문제이다.
다만, 5,6번의 경우에는 규정을 모를경우 사실 풀기가 어렵다. 기출만 보고 넘어가는 것으로 하자.
| 2001년 전기기사 실기 1회 13번 해설 <010113> (1) | 2022.06.03 |
|---|---|
| 2001년 전기기사 실기 1회 12번 해설 <010112> (0) | 2022.06.01 |
| 2001년 전기기사 실기 1회 10번 해설 <010110> (0) | 2022.05.30 |
| 2001년 전기기사 실기 1회 9번 해설 <010109> (0) | 2022.05.30 |
| 2001년 전기기사 실기 1회 8번 해설 <010108> (0) | 2022.05.30 |