#6. 면접준비-Ti사 뉴스
취준이야기 2023. 5. 15. 10:011. 전력관리 솔루션
https://www.thelec.kr/news/articleView.html?idxno=18849
TI, 더 높은 전력밀도 구현한 전원관리 칩 3종 출시 - 전자부품 전문 미디어 디일렉
텍사스인스트루먼트(TI) 코리아는 21일 서울 삼성동 코엑스 인터컨티넨탈 호텔에서 기자간담회를 열고 전력 관리 칩 3종을 공개했다. 소형 IT기기부터 위성통신에 이르기까지 모든 전자 장비들이
www.thelec.kr
TPS566242
벅컨버터, 작지만 높은 전력밀도, 6A 제품중 업계에서 가장 작은 기기
=>높은 전력밀도의 의미?=>제품의 크기 감소, Ti에서 제공한 리포트의 그래프를 보니 mm^3/A의 단위를
쓰는 것으로 보아, 부피당 전류가 흐르는 정도를 전력밀도라 하는 것으로 보인다.(완벽하게 정의 된 개념은 아닌듯)
전력밀도를 제한하는 요소 : 전도, 전하관련, 역복구, on/off 손실등
Ti에서 나온 리포트의 전력밀도 설명
전력 밀도란? 전력 밀도는 지정된 공간에서 처리할 수 있는 전력을 측정 한 것으로, 부피 단위에 따라 처리되는 전력량을 입방미터 당 와트(W/m3 ) 또는 입방인치당 와트(W/in3 ) 단위로 수량 화한 것입니다. 이 값은 그림 2에 나와 있듯이 컨버터의 전 력 등급과 모든 부품이 포함된 전원 솔루션의 외형 체적(길 이 × 너비 × 높이)을 기준으로 계산됩니다. 적절한 전력 레 벨 또는 크기로 장치를 확장할 수 있습니다. 예를 들어 전 기 자동차에 있는 온보드 배터리 충전기의 FOM(Figure Of Merit)은 리터당 킬로와트인데 이 전력 컨버터가 킬로와트 수준의 전력(3~22kW)을 출력하기 때문입니다.
전력밀도를 제한하는 요소
이전에는 수동부품의 크기를 줄이는데 중점을 둠 => 스위칭 주파수를 크게하면 소형화 가능
스위칭 주파수가 높아지면 각 사이클을 위해 저장해야하는 에너지가 감소하게 됨
전력 밀도를 높이는 것의 장단점 및 기술의 이해 (Rev. C) (ti.com)
2. GANFET
LMG2522R030-Q1
GaN FET은 일반적으로 실리콘 카바이드(SiC) 소재에 비해 비용과 공급망 측면은 물론 전력 밀도를 높이는데 유리하다는 평가가 있다. TI 측은 서버와 같은 고전력 애플리케이션의 경우 상단면 냉각을 적용한 GaN 기기가 IC 열을 제거하고 PCB 발열을 줄이는데 효과적이라고 설명했다
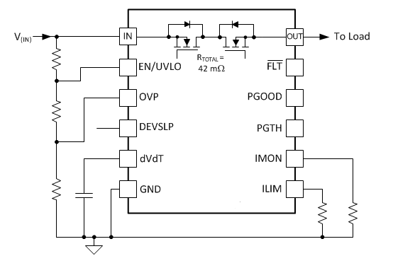
3. eFuse ‘TPS25985’
필요한만큼 기기를 병렬로 적층하여 300A 이상의 전류 시스템을 달성할 수있음
=>병렬로 적층한다는 것의 의미?

퓨즈가 아니라 efuse인데, efuse를 찾아보니, 원래 퓨즈는 한번 끊어지면 녹아서 없어진다
하지만 매번 퓨즈를 교체할수도 없는노릇, 따라서 다시 복구가 가능한 퓨즈를 개발하기 시작하는데,
reset이 가능한 퓨즈로 efuse ic칩을 활용한다. 회로에서 전류를 감지하고 정해진 전류 이상으로 올라가게
될 경우 FET 스위치가 차단되는 방식이다

| #8. 면접준비 - 소자들 (0) | 2023.05.19 |
|---|---|
| #7. 면접준비-texas instrument (0) | 2023.05.17 |
| #5. 면접준비-MSP430 MCU 다뤄보기(Code Composer Studio) 튜토리얼 (0) | 2023.05.04 |
| #4. 면접준비-Filter (0) | 2023.05.03 |
| #3. 면접준비(회로이론)-추가중 (0) | 2023.04.29 |