#8. 면접준비 - 소자들
취준이야기 2023. 5. 19. 17:27이번 글에서는 많이 쓰이는 각종 소자들에 대한 소개를 작성해보도록 한다.
1. 벅컨버터

가장 간단한 컨버터 중 하나로 스텝다운 컨버터라고도 이야기한다. 전압을 올리는 컨버터로 DC 전압을 스위치의 on/off를 통해 출력측에 걸리는 전압을 감시킨다. 자동차의 시거잭은 5,9V를 지원하는데 자동차의 배터리를 보면 보통 12 혹은 24V임을 알 수 있다. 이런 상황에서 벅 컨버터를 활용하면 낮은 전압을 공급하는데에 이용 할 수 있다.
2. 부스트 컨버터

벅컨버터의 반대 개념으로 전압을 올려줄떄 사용한다. 코일/스위치/다이오드의 위치만 바꿀 뿐인데 전압을 높일 수 있다. 자세한 동작은 나중에 전력전자 공학에 관한 지식을 설명할 때 사용하겠다.
위 영상은 벅컨버터와 부스트 컨버터를 시각적으로 잘 설명한 영상이라 생각한다.
3. 벅-부스트 컨버터

전압내림과 올림이 모두 가능한 벅-부스트 컨버터이다. 이 역시 코일/스위치/다이오드의 방향을 자세히 살펴보면 된다.
4. LDO(Low Dropout), 리니어 레귤레이터
낮은 전위차를 가질떄 사용하는 소자로 생각하면 된다. 예를 들어 5V를 제공하는배터리가 있다고 생각 할때, 3.3v를 활용하는 부품이 있다면 이 LDO 소자를 활용하여 정밀한 전압조절을 하여 3.3V를 제공할 수 있다. 고전압에서는 Dc-DC 컨버터를 활용하지만, 이처럼 낮은 전압에서 정밀하게 전압을 주어야할 때, LDO를 사용하게 된다. 이는 리니어 레귤레이터 라고도 이야기 한다.

LDO란? - 전자 기초 지식 | 로옴 주식회사 - ROHM Semiconductor
LDO란? - 전자 기초 지식 | 로옴 주식회사 - ROHM Semiconductor
DC/DC 컨버터란?LDO란? LDO란?LDO란?LDO는 Low Dropout의 약자로, 낮은 입출력 전위차에서도 동작하는 리니어 레귤레이터입니다.저손실 타입 리니어 레귤레이터 및 저포화 타입 리니어 레귤레이터라고도
www.rohm.co.kr
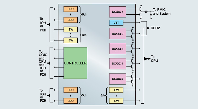
5. PMIC(Power management IC)
전력관리반도체로, 우리 일상생활 속에 많은 전자부품에 들어가 있는 IC이다. 이를 활용하여 핸드폰등에 각종 칩들에게 일정한 전압을 공급할 수 있도록 돕고, PMIC의 제어를 통해 스마트폰의 배터리를 더 오래 쓸 수 있도록 제어하기도 한다.

아래는 Rohm 사의 pmic이다.
intel atom processor-pmic (rohm.co.kr)
intel atom processor-pmic
www.rohm.co.kr

이렇게 여러 군데에 DC전압을 원활히 공급할 수 있도록 ic를 제작하게 된다.
6. Solid state relay(SSR)
일반적인 전기기계식 릴레이의 경우 전류가 흐르면 코일에 전류가 흘러 자성을 만들어 내고, 그 자성을 통해서 스위치를 열고 닫는 방식으로 이루어져 있다. SSR의 경우 일반 릴레이보다 더 빠른 스위칭 속도와 더 낮은 전류로도 스위칭을 할 수 있고, 소형화가 가능하다는 장점이있다.
솔리드 스테이트 릴레이 (SSR) 란 무엇입니까? |HUIMU Electronics (huimultd.com)
기사 및 블로그
HUIMU 정보 센터는 산업용 제어 장비 (예 : 솔리드 스테이트 릴레이)에 대한 기술 기사와 블로그를 제공합니다....
electronics.huimultd.com
7. 다이오드
다이오드에는 여러가지 종류가 있는데, 학부수준에서 배운 다이오드들에 대해서만 이야기해보도록 하겠다.
쇼트키다이오드
다이오드에 금속을 붙인 형태로, 일반적인 다이오드에 비해서 전류가 더 잘흐르는 편이다. 즉, 전류가 잘 흐른다는 것은 결국 다이오드가 동작할 때, 전압강하 정도가 더 적게 나타난 다는 것이다. 하지만, 전류가 잘 흐르는 만큼, 스위칭이 발생할 때, 누설전류가 발생할 수 있고, 이에 따라 발열이 발생할 수 있다. 하지만, 전압강하가 낮은 만큼 스위칭 속도를 빠를 수 있기 때문에, 고스위칭, 저전류 대역에서 잘 쓰이는 소자라 할 수 있겠다.(회복시간이 짧다)

제너다이오드
다이오드의 역방향 항복전압을 활용한 다이오드. 일정 이상의 역전압이 걸렸을 경우 전류값이 급격하게 높아지면서, 전압이 일정하게 유지된다. 이를 통해서 보호하고 싶은 소자에 병렬로 연결하게 되면 제너전압 이상으로 전압이 걸리지 않기 때문에, 소자를 보호하는 보호회로등에서 사용한다. 즉, 제너 다이오드는 일반 다이오드와 달리 일부러 역방향으로 연결한다.

정전압 (제너) 다이오드 : 전자 기초 지식 | 로옴 주식회사 - ROHM Semiconductor
다이오드란? 정전압 (제너) 다이오드 제너 다이오드는 전류가 변화되어도 전압이 일정하다는 특징을 이용하여 정전압 회로에 사용되거나, 서지 전류 및 정전기로부터 IC 등을 보호하는 보호 소
www.rohm.co.kr
8. 스위칭 소자들

위 표는 가로축이 주파수, 세로축이 전력으로 물질 특성에 따라 소자들을 구성했을 때, 사용가능한 영역을 나타낸 것이다. 우리가 흔히 쓰는 mosfet의 경우 스위칭을 빠르게 할 수 있다는 장점이 있지만, 고전압/고전력에서는 약한 모습을 보여준다. 따라서 IGBT, SiC, GaN등을 활용하여 소자를 구성한다면, 더 높은 주파수, 더 높은 전력에서 스위칭을 할 수 있다.
현재 상용화 된 소자들은 GaN Mosfet으로, 우리 일상속에서도 쓰이고 있으며, SiC의 경우 개발이 되고 있는 과정이지만 가격이 비싸 실제 제품에서 많이 사용되지는 않고 있다. 또한, IGBT의 경우 모터제어에 사용하는 게이트드라이버를 구동하는 소자로 사용되고 있다.
IGBT 모듈을 사용하여 모터 설계 및 인버터 설계를 간소화하는 방법
IGBT 모듈 및 게이트 구동기를 사용하여 효율성 및 성능 표준을 충족하는 모터 구동 장치 및 인버터를 개발합니다.
www.digikey.kr
9. 스위칭주파수의 의미
일반적으로, 고주파수의 스위칭속도를 가질수록 전력손실이 줄어든다. 그 이유는 On->Off/ Off->On 으로 가는 과정에서 손실이 발생하는데, 이 텀이 짧아질수록, 손실되는 시간이 줄어들기 때문이다. 아래 그래프를 보면 빨간색의 넓이 부분만큼 손실이 일어나는데, 고주파수로 갈수록 이 삼각형의 밑변이 줄어들게 된다는 것이다.

https://m.blog.naver.com/PostView.naver?isHttpsRedirect=true&blogId=pstek1124&logNo=70164287563
스위칭 손실 (Switching Loss)
전압과 전류가 모두 0이 되지 않는 시간으로 소자 별 스위칭 주파수 한계의 원인이 된다. &#...
blog.naver.com
또한, 고주파수 영역으로 가게 되면 캐퍼시터및 코일의 사이즈가 작아도 큰 임피던스를 만들어낼 수 있기 때문에, 작은 크기의 캐퍼시터/코일이라 하여도 원하는 사양의 회로를 구성할 수 있다. 핸드폰 기판의 Mlcc도 결국 캐퍼시터의 일종인데 사이즈를 보면 매우 작음을 알 수 있다. 물론 핸드폰의 경우가 고주파수가 필요한 제품은 아니지만, 그만큼 커패시터의 크기가 줄어들 수 있다는 것이다.
‘전자산업의 쌀’ MLCC 호황에 삼성전기 10조 매출 청신호
전자산업의 쌀 MLCC 호황에 삼성전기 10조 매출 청신호 부품 공급망 2분기부터 해소 전망 5G 스마트폰에 전기차 수요 확대 고사양 MLCC 시장 성장세 계속 무라타 생산 차질에 반사효과까지 평균 가
biz.chosun.com
10. PWM(Pulse width modulation, 펄스폭 변조)
전류와 전압을 제어하는 방법중 하나로, 스위치의 On/Off 비율에 따라 전압과 전류 제어가 가능하다. 이를 통해 여러가지 제품들에 일정한 전압과 전류를 공급하게 되고, 흔히 볼 수 있는 power supply는 SMPS라는 Switching modulation power supply로 구성된다. 가끔가다보면 충전기같은곳에서 고주파 음이 발생하는 것을 알 수 있는데, 이는 스위칭주파수가 사람이 들을 수 있는 영역에 설정되었거나, 이 소음을 없애는 장치가 고장나서 그런것으로 알려져 있다.
PWM - 나무위키
이 저작물은 CC BY-NC-SA 2.0 KR에 따라 이용할 수 있습니다. (단, 라이선스가 명시된 일부 문서 및 삽화 제외) 기여하신 문서의 저작권은 각 기여자에게 있으며, 각 기여자는 기여하신 부분의 저작권
namu.wiki
| #9. 면접준비-연료전지시스템(추가중) (0) | 2023.05.25 |
|---|---|
| 면접준비시 활용한 사이트 및 링크모음 (9) | 2023.05.19 |
| #7. 면접준비-texas instrument (0) | 2023.05.17 |
| #6. 면접준비-Ti사 뉴스 (2) | 2023.05.15 |
| #5. 면접준비-MSP430 MCU 다뤄보기(Code Composer Studio) 튜토리얼 (0) | 2023.05.04 |