2001년 전기기사 실기 2회 10번 해설 <010210>
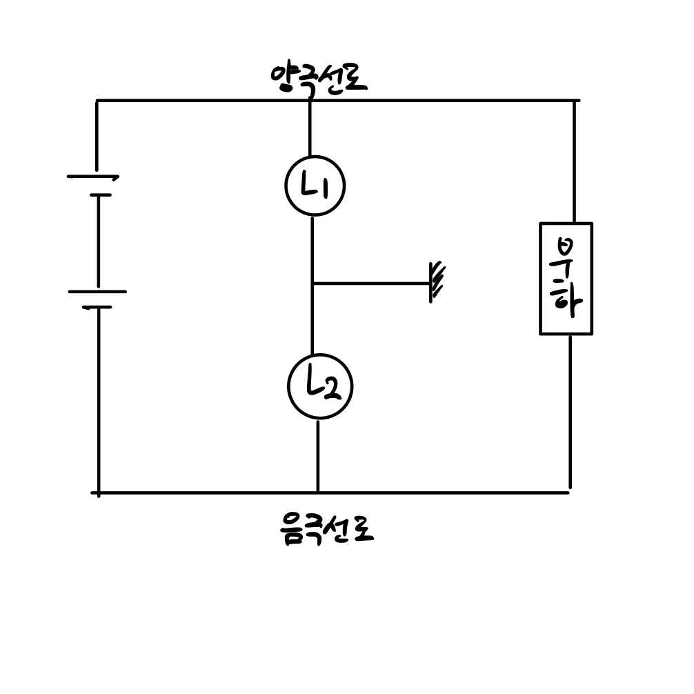
전기기사 2022. 6. 13. 12:2210. 그림은 직류 전원을 부하에 공급하는 회로이다. 양극(+)선로와 음극(-) 선로 측의 접지 여부를 감시하기 위하여 그림과 같이 두개의 표시등 L1, L2를 설치하였을 때, 다음 각 질문에 답하시오.
(1) 양극 측 선로가 접지 되었다면 L1, L2의 밝기는 어떻게 나타내는가?
(2) 양극과 음극의 선로측이 모두 접지되었다면, L1, L2의 밝기는 어떻게 되는가?
(1) 양극 측 선로가 접지 되었다면 L1, L2의 밝기는 어떻게 나타내는가?
양극선로측에 접지가 추가 되면, 현재, L1와 L2 사이에 접지가 되어있는데, L1 양극선로측에도 접지가 추가된다면, L1 양측이 모두 접지상태가 되어, 전압차가 발생하지 않아, 모든 전류가 L2쪽으로만 흐르게 된다. 따라서 L1은 소등, L2는 더 밝아지게 된다.
(2) 양극과 음극의 선로측이 모두 접지되었다면, L1, L2의 밝기는 어떻게 되는가?
양극 음극 모두 접지가 추가되면, L1,L2사이에 전압차가 모두 0이 되므로, 전류가 흐르지 않게 된다. 따라서 모두 소등
사실 문제를 정확하게 회로의 어느 부분에 접지 한다는 것인지를 알기가 어렵다, 나는 양극선로,음극선로가 쓰인 부분에 접지 표시를 해서, 회로를 해석하였다. 하지만, 그 경우에 부하측에 흐르는 전류가 어떻게 될지를 알 수가 없다.
일단 이 문제는 이후로 나온적은 없으므로, 회로이론정도의 상식에서 풀고 넘어가자
2001년 전기기사 실기 2회 12번 해설 <010212> (0) | 2022.07.06 |
---|---|
2001년 전기기사 실기 2회 11번 해설<010211> (0) | 2022.06.14 |
2001년 전기기사 실기 2회 9번 해설<010209> (0) | 2022.06.13 |
2001년 전기기사 실기 2회 8번 해설 <010208> (0) | 2022.06.09 |
2001년 전기기사 실기 2회 7번 해설<010207> (0) | 2022.06.08 |