2001년 전기기사 실기 1회 6번 해설 <010106>
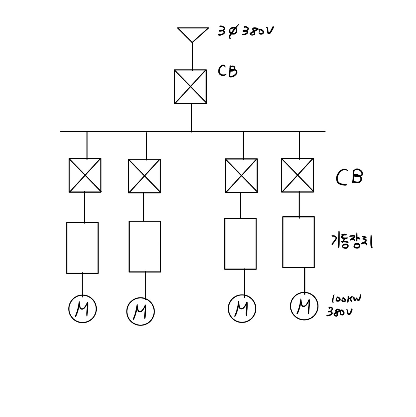
전기기사 2022. 5. 30. 03:056. 그림과 같이 3상 농형 유도 전동기 4대가 있다. 이에 대한 MCC 반을 구성하고자 할 때 다음 각 질문에 답하시오.
(1) MCC(Motor Control center)의 기기 구성에 대한 대표적인 장치를 3가지만 쓰시오.
(2) 전동기 기동방식을 기기의 수명과 경제적인 면을 고려한다면 어떤 방식이 적합한가?
(3) 콘덴선 설치 시 제 5고조파를 제거하고자 한다. 그 대책에 대해 설명하시오.
(4) 차단기는 보호 계전기의 4가지 요소에 의해 동작되도록 하는 데 그 4가지 요소를 쓰시오.

(1) 차단장치, 기동장치, 제어 및 보호장치
(2) 기동 보상기법
(3) 콘덴서 용량의 6%정도의 직렬 리액터를 설치한다
(4) 단일 전류요소, 단일 전압요소, 전압˙전류요소, 2전류요소
1. 전동기 기동방식은 다음과 같다(이외에도 여러가지가 있지만, 기사시험 기출문제를 통틀어 아래 3가지가 가장 많이 언급되었다.)
직입 기동 : 5kw 이하
Y-델타 기동 : 15kw 이하
기동 보상기법 : 15kw 이상
위 문제에서는 100kw로 용량이 주어졌으므로, 기동보상기법을 사용한다.
2. 제5고조파 =>콘덴서 6%, 직렬리액터 (외우기)
| 2001년 전기기사 실기 1회 8번 해설 <010108> (0) | 2022.05.30 |
|---|---|
| 2001년 전기기사 실기 1회 7번 해설 <010107> (0) | 2022.05.30 |
| 2001년 전기기사 실기 1회 5번 해설 <010105> (0) | 2022.05.30 |
| 2001년 전기기사 실기 1회 4번 해설 <010104> (0) | 2022.05.30 |
| 2001년 전기기사 실기 1회 3번 해설 <010103> (0) | 2022.05.29 |