2001년 전기기사 실기 1회 7번 해설 <010107>
전기기사 2022. 5. 30. 03:567. 주어진 그림을 이용하여 적산 전력계의 결선도를 완성하여 그리시오.


적산전력계 : 쉽게 이야기 하면 집에서 볼 수 있는 전력량계(미터기)로 생각하면 된다.
아래처럼 실제로 팔기도 한다.
http://itempage3.auction.co.kr/DetailView.aspx?itemno=A534274948
일월조명/전력량계/계량기/적산전력계/전기계량기 - 옥션
공구/안전/산업용품>전기용품>누전차단기
itempage3.auction.co.kr
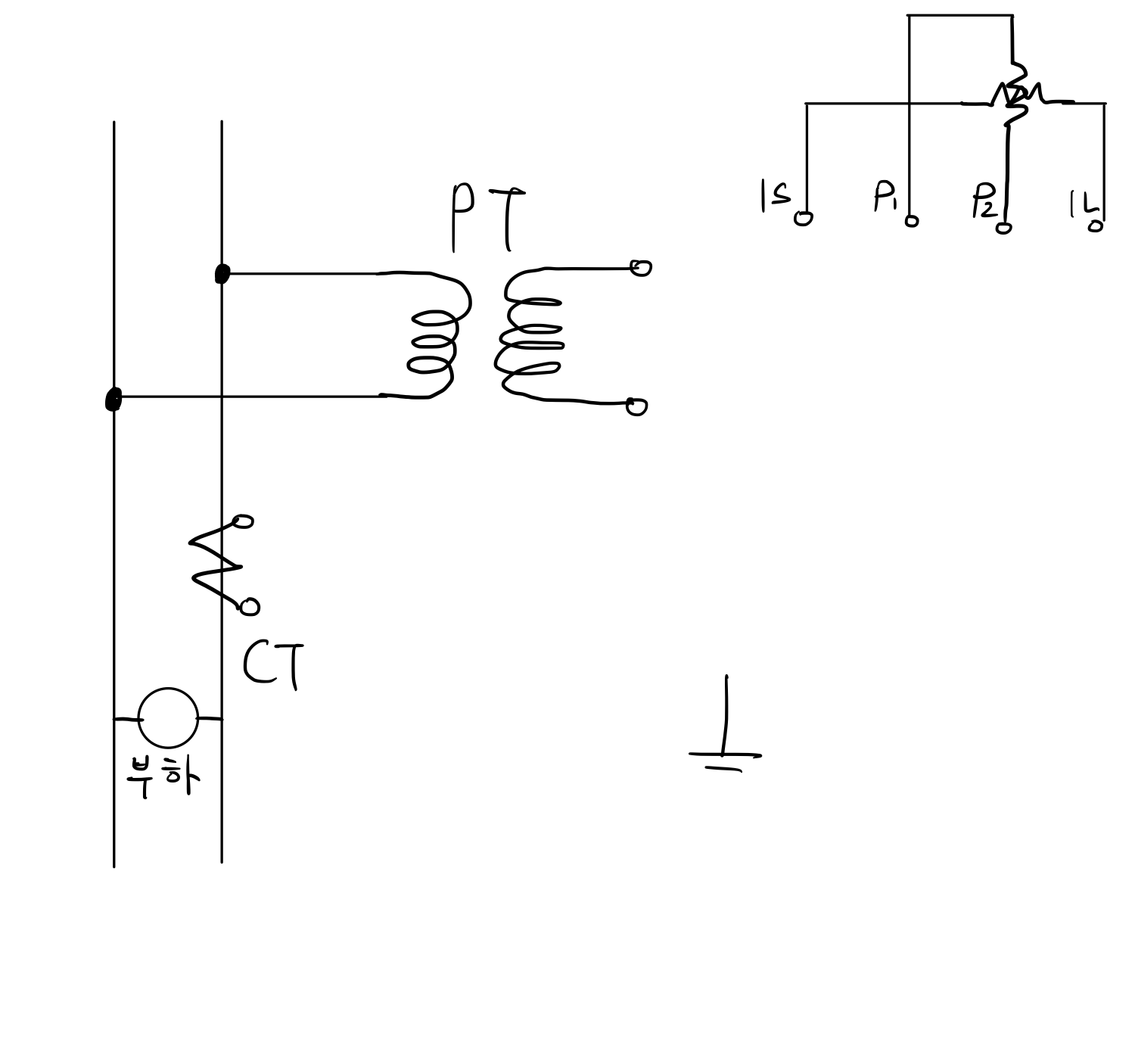
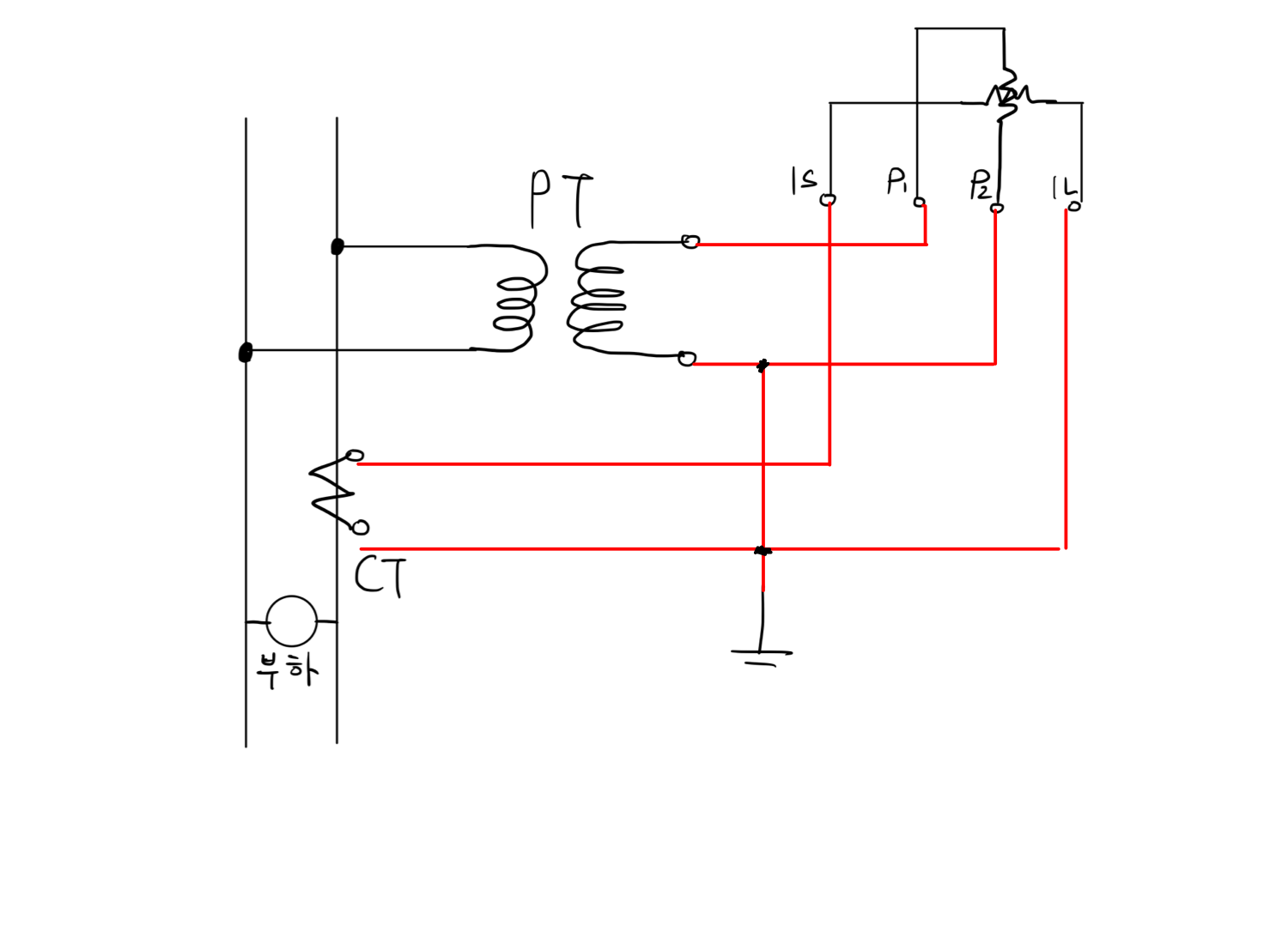
위 문제에서 나온 적산 전력량계는 저압 단상 2선식 전력량계이며 단상이므로 기호중
1S, 1L에서 1은 R상을 의미하고(2는 N상), S는 Source(전원), L은 Load(부하)를 의미한다.
1S, 1L에는 전류 코일이, P1, P2에는 전압코일이 연결되어 있으므로, 1S, 1L은 각각 CT(변류기)에 연결하고, P1, P2는 각각 PT(변압기)에 연결하여 측정한다.
추후 시험에 나온다면 모양자체를 외우는 것이 낫다고 판단된다.
P를 PT에 연결한다고 생각하자.
| 2001년 전기기사 실기 1회 9번 해설 <010109> (0) | 2022.05.30 |
|---|---|
| 2001년 전기기사 실기 1회 8번 해설 <010108> (0) | 2022.05.30 |
| 2001년 전기기사 실기 1회 6번 해설 <010106> (0) | 2022.05.30 |
| 2001년 전기기사 실기 1회 5번 해설 <010105> (0) | 2022.05.30 |
| 2001년 전기기사 실기 1회 4번 해설 <010104> (0) | 2022.05.30 |